제품안내
고객과 함께 만들어가는 (주)앤플럭스를 소개합니다
고객과 함께 만들어가는 (주)앤플럭스를 소개합니다
㈜앤플럭스에서는 고객이 원하는 Workflow를 중심으로 소프트웨어를 개발해드립니다.
사용자 친화적인 GUI 구성으로 시뮬레이션 과정 일괄적 처리, 데이터 관리 및 취합 편의에 효율적입니다.
또한 수치해석 기술 Know-How를 탑재하여 사용자간의 업무 표준화는 물론, 신속하고 정확도 높은 결과를 확인할 수 있습니다.








Confidential 계약 과제를 제외한 수행 실적입니다.

발전소 대기환경 배출물 및 온배수 확산 수치해석 자동화 프로그램

소형 풍력 발전기 블레이드 설계 및 시뮬레이션 프로그램

석탄 보일러 형상 및 격자 생성 자동화 프로그램

석탄화력 유동해석 자동화 프로그램

고압 LNG 펌프 회전체 해석 자동화 프로그램

석탄 화력 발전소 유동 해석 자동화 프로그램

Engine Cooling Fan 유동 해석 자동화 프로그램

터보 압축기 유동 해석 자동화 프로그램

원심 압축기 유동 해석 자동화 프로그램

실시간 데이터 관리 프로그램

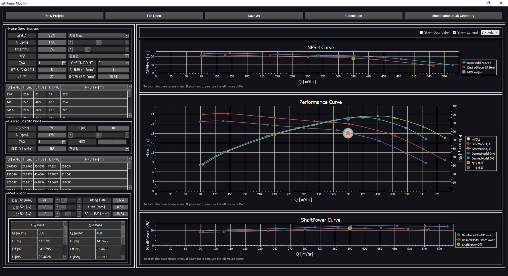
회전기기 Impeller 성능 개선 프로그램

회전기기 성능 분석 프로그램

회전기기 경제성 평가 프로그램 A

회전기기 경제성 평가 프로그램 B

결과 보고서 엑셀 자동화 프로그램